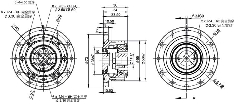
GIGAGER Harmonic Drive CSF Il-mudell huwa tip ta 'serje armonika ta' preċiżjoni għolja bin-numru tal-mudell CSF-T-14 / CSF-T-17 / CSF-T-20 / CSF-T-25 / CSF-T-32. GIGAGER jipprovdi firxa sħiħa ta 'reducers armoniċi ta' prestazzjoni għolja bi spiża li taqbel mal-gearboxes tas-sewqan armoniku Ġappuniż u Amerikan. Dawn huma l-alternattivi perfetti tal-veloċità armonika li jnaqqsu għall-baġit limitat tiegħek.
1. X'inhuma l-Karatteristiċi tal-Prodott ta 'GIGAGER Harmonic Drive?
• Prestazzjoni bi spejjeż għoljin
• Effiċjenza għolja
• Llash baxx
• Riġidità għolja
2. Drive Armoniku tas-Serje Standard CSF
Serje | Tip | Spec | Proporzjon tal-gerijiet | |||||
CSF | T (ċatt) | 14 | 30 | 50 | 80 | 100 | - | - |
| 17 | 30 | 50 | 80 | 100 | - | - | ||
| 20 | 30 | 50 | 80 | 100 | 120 | - | ||
| 25 | 30 | 50 | 80 | 100 | 120 | 160 | ||
| 32 | 50 | 80 | 100 | 120 | - | - | ||
Għal aktar serje SHF, SHD, CSD, jekk jogħġbok ara l-Katalgu mehmuż. (niżżel il-PDF f'din il-paġna)


Mudell: CSF-T-14
Oġġetti | Proporzjon tal-gerijiet | ||||
| 30K | 50K | 80K | 100K | ||
Torque Rated (Input 2000r / min) | Nm | 4.0 | 5.4 | 7.8 | 7.8 |
Torque Massimu Permissibli (Ibda • Tieqaf) | Nm | 9 | 18 | 23 | 28 |
Valur Massimu Permissibli ta 'Torque ta' Tagħbija Medja | Nm | 6.8 | 6.9 | 11 | 11 |
Torque Massimu Permissibbli Instantane | Nm | 17 | 35 | 47 | 54 |
Veloċità ta 'Rotazzjoni tad-Dħul Massima Permissibli | r / min | 8000 | 8000 | 8000 | 8000 |
Veloċità ta 'Rotazzjoni ta' Input Medja Permissibbli | r / min | 3500 | 3500 | 3500 | 3500 |
Backlash | Ark taqs | ≦ 20 | ≦ 20 | ≦ 10 | ≦ 10 |
Tul tal-Ħajja Iddisinjat | siegħa | 10000 | 10000 | 15000 | 15000 |
Mudell: CSF-T-17
Oġġetti | Proporzjon tal-gerijiet | ||||
| 30K | 50K | 80K | 100K | ||
Torque Rated (Input 2000r / min) | Nm | 8.8 | 16 | 22 | 24 |
Torque Massimu Permissibli (Ibda • Tieqaf) | Nm | 16 | 34 | 43 | 54 |
Valur Massimu Permissibli ta 'Torque ta' Tagħbija Medja | Nm | 12 | 26 | 27 | 39 |
Torque Massimu Permissibbli Instantane | Nm | 30 | 70 | 87 | 108 |
Veloċità ta 'Rotazzjoni tad-Dħul Massima Permissibli | r / min | 7000 | 7000 | 7000 | 7000 |
Veloċità ta 'Rotazzjoni ta' Input Medja Permissibbli | r / min | 3500 | 3500 | 3500 | 3500 |
Backlash | Ark taqs | ≦ 20 | ≦ 20 | ≦ 10 | ≦ 10 |
Tul tal-Ħajja Iddisinjat | siegħa | 10000 | 10000 | 15000 | 10000 |
Mudell: CSF-T-20
Oġġetti | Proporzjon tal-gerijiet | |||||
| 30K | 50K | 80K | 100K | 120K | ||
Torque Rated (Input 2000r / min) | Nm | 15 | 25 | 34 | 40 | 40 |
Torque Massimu Permissibli (Ibda • Tieqaf) | Nm | 27 | 56 | 74 | 82 | 87 |
Valur Massimu Permissibli ta 'Torque ta' Tagħbija Medja | Nm | 20 | 34 | 47 | 49 | 49 |
Torque Massimu Permissibbli Instantane | Nm | 50 | 98 | 127 | 147 | 147 |
Veloċità ta 'Rotazzjoni tad-Dħul Massima Permissibli | r / min | 6000 | 6000 | 6000 | 6000 | 6000 |
Veloċità ta 'Rotazzjoni ta' Input Medja Permissibbli | r / min | 3500 | 3500 | 3500 | 3500 | 3500 |
Backlash | Ark taqs | ≦ 20 | ≦ 20 | ≦ 10 | ≦ 10 | ≦ 10 |
Tul tal-Ħajja Iddisinjat | siegħa | 10000 | 10000 | 15000 | 15000 | 15000 |
Mudell: CSF-T-25
Oġġetti | Proporzjon tal-gerijiet | ||||||
| 30K | 50K | 80K | 100K | 120K | 160K | ||
Torque Rated (Input 2000r / min) | Nm | 27 | 39 | 63 | 67 | 67 | 67 |
Torque Massimu Permissibli (Ibda • Tieqaf) | Nm | 50 | 98 | 137 | 157 | 167 | 176 |
Valur Massimu Permissibli ta 'Torque ta' Tagħbija Medja | Nm | 38 | 55 | 87 | 108 | 108 | 108 |
Torque Massimu Permissibbli Instantane | Nm | 95 | 186 | 255 | 304 | 289 | 314 |
Veloċità ta 'Rotazzjoni tad-Dħul Massima Permissibli | r / min | 5500 | 5500 | 5500 | 5500 | 5500 | 5500 |
Veloċità ta 'Rotazzjoni ta' Input Medja Permissibbli | r / min | 3500 | 3500 | 3500 | 3500 | 3500 | 3500 |
Backlash | Ark taqs | ≦ 20 | ≦ 20 | ≦ 10 | ≦ 10 | ≦ 10 | ≦ 10 |
Tul tal-Ħajja Iddisinjat | siegħa | 10000 | 10000 | 15000 | 15000 | 15000 | 15000 |
Mudell: CSF-T-32
Oġġetti | Proporzjon tal-gerijiet | ||||
| 50K | 80K | 100K | 120K | ||
Torque Rated (Input 2000r / min) | Nm | 76 | 118 | 137 | 137 |
Torque Massimu Permissibli (Ibda • Tieqaf) | Nm | 216 | 304 | 333 | 353 |
Valur Massimu Permissibli ta 'Torque ta' Tagħbija Medja | Nm | 75 | 167 | 216 | 216 |
Torque Massimu Permissibbli Instantane | Nm | 200 | 568 | 647 | 686 |
Veloċità ta 'Rotazzjoni tad-Dħul Massima Permissibli | r / min | 4500 | 4500 | 4500 | 4500 |
Veloċità ta 'Rotazzjoni ta' Input Medja Permissibbli | r / min | 3500 | 3500 | 3500 | 3500 |
Backlash | Ark taqs | ≦ 20 | ≦ 10 | ≦ 10 | ≦ 10 |
Tul tal-Ħajja Iddisinjat | siegħa | 10000 | 15000 | 15000 | 15000 |

3. Għarfien Relatat
Kif tagħżel reducer armoniku ta 'preċiżjoni għolja?
Bl-iżvilupp ta 'l-awtomazzjoni industrijali u l-avvanz ta' tagħmir intelliġenti, ħareġ iktar u iktar tagħmir intelliġenti. Huma gradwalment issostitwew ix-xogħol u jistgħu jagħmlu xi xogħol li huwa diffiċli għall-ħaddiema. Reders armoniċi huma wieħed minnhom. HD reducer huwa tip ta 'tagħmir għad-deċellerazzjoni. Ir-riduttur armoniku għandu l-karatteristiċi ta 'piż ħafif, daqs żgħir u preċiżjoni għolja. Huwa użat ħafna fl-utenti u huwa wżat ħafna fil-qasam tar-robots industrijali b'rekwiżiti għoljin ta 'affidabilità. Tagħmir għall-produzzjoni ta 'kristalli likwidi semikondutturi, tagħmir mediku, strumenti ottiċi, makkinarju ta' l-istampar u ħafna industriji oħra wrew il-vantaġġi tagħhom; huma għandhom ukoll rwol importanti fix-xjenza u t-teknoloġija l-aktar avvanzata bħal robots intelliġenti, l-ajruspazju u l-osservazzjoni astronomika.
Ir-riduttur tal-RV li spiss jingħad issa huwa differenti mir-RV preċedenti. Ir-riduttur RV preċedenti jirreferi għall-irkaptu tad-dudu. Ir-riduttur RV kurrenti għandu jinftiehem bħala riduttur ċiklojdali planetarju, li huwa kombinazzjoni ta 'riduttur planetarju u riduttur ċiklojd, RV (Rot-Vector).
Ir-riduttur armoniku u l-RV jistgħu jingħad li għandhom is-saħħiet tagħhom stess. Il-mument tal-liwi li jinġarr mir-riduttur RV se jkun ħafna ikbar mill-armoniċi, iżda l-eżattezza se tkun agħar u l-volum se jkun akbar. L-eżattezza tar-riduttur RV hija ġeneralment arcmin, jiġifieri, l-ark. Huwa maqsum f'livelli, filwaqt li r-riduttur armoniku huwa arcsec, livell tat-tieni ark. Għalkemm id-differenza fl-eżattezza mhix kbira, din hija ekwivalenti għal xi ħadd fuq il-magna li jista 'jikseb 10 preċiżjonijiet, imma xi nies jistgħu jagħmlu wieħed, iżda t-titjib tal-preċiżjoni huwa rekwiżit għoli għat-teknoloġija. Ruttur armoniku, ma jimpurtax f'Harmonic, bażikament ma jistax jara t-torque permissibbli, għax ir-riduttur armoniku jiffoka fuq l-eżattezza tal-moviment li jdur tat-tagħbija tad-dawl, tiegħu stess . Il-biċċa l-kbira tar-robots se jużaw ir-riduttur ta 'l-armonija fuq it-tliet assi ta' wara, minħabba li bażikament m'hemmx dirgħajn mekkaniċi li għandhom jinġarru fit-tliet assi ta 'wara. Iżda b'eċċezzjoni waħda, dan huwa l-robot SCARA.
Ma nistgħux niffrankaw il-flus u ma nistgħux niffrankaw il-flus billi nixtru ritardaturi armoniċi. Irridu nagħżlu prezzijiet raġonevoli. Adattat: Kif tgħid il-kliem, "Huwa tajjeb għalik." Jekk ma hemm l-ebda standard għax-xiri tat-tagħmir, huwa importanti li ssir għażla skond is-sitwazzjoni attwali tiegħek.
Pereżempju, il-mutur li normalment għandna bżonn inaqqsu mhuwiex mgħaġġel ħafna, u għalhekk m'hemmx bżonn li nixtri proporzjon ta 'tnaqqis wisq; pereżempju, ħafna drabi għandna bżonn immorru l-għalqa biex nibnu, u t-traffiku huwa inkonvenjenti, allura għandna nagħtu attenzjoni għax-xiri ta 'reducer eħfef, biex inkunu konvenjenti. Fil-qosor, ix-xiri ta 'armoniku li jnaqqas għandu jiġi kkunsidrat skond is-sitwazzjoni tiegħu stess, ma jistax bl-addoċċ!
Bejgħ wara: Issa mhux il-ħin biex tixtrih, imma issa kollox jeħtieġ li jitkellem dwar servizz ta ’wara l-bejgħ.
Speċjalment ir-riduttur armoniku, li spiss jeħtieġ manutenzjoni u tiswija. Fil-proċess ta 'l-użu tar-riduttur, problemi jew ħsarat huma inevitabbli. F'ħafna każijiet, huwa diffiċli għalina li nsolvuha nfusna. F'dan iż-żmien, irridu niddependu fuq is-servizz ta 'wara l-bejgħ tal-manifattur.
Jekk jagħmlu tajjeb wara l-bejgħ, huma jkunu jistgħu jiggarantixxu l-operat normali tat-tagħmir tagħna, u b'hekk jiżguraw il-produzzjoni sikura u effiċjenti tagħna. GIGAGER jgħidlek li x-xiri ta 'apparat li jnaqqas l-armonija fil-fatt mhux daqshekk diffiċli.
It-tags Popolari: sewqan armoniku ta 'preċiżjoni għolja, iċ-Ċina, manifatturi, fornituri, fabbrika, kwalità għolja